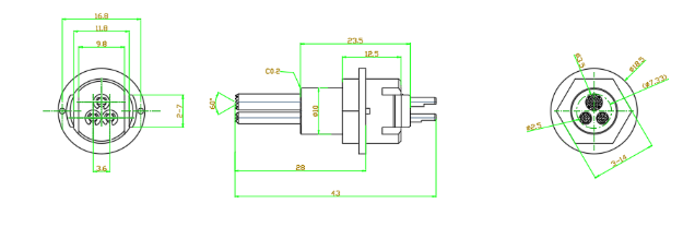
| Three-pin Probe Assembly | GP-11077 |
| Size: | φ18.5*43mm |
| Main Material: | Beryllium copper |
| Applicable: | Square case power battery |
| Working Current: | 0~6A |
| Fixture Resistance: | ≤10mΩ |
| Temperature: | ≤100℃ |
| Elastic Parameters: | The pressure can reach 1.2KG~1.4KG,when the current needle is compressed 5 mm. |
| Plating: | Nickel plating on the whole surface of the probe, nickel plating on the tip of the current needle before gold plating,plating: Ni ≥2um, AU ≥0.2 um. |
